クイックリンク
迅速な連絡
アドレス
3つを、卓越性世紀の中心造る、部屋1920年Shibei地区、チンタオ、山東、中国
電話番号:
86-133-7148-2686
私たちのニュースレター
ニュースレターへの購読は,割引などで可能です.
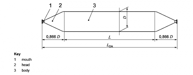
18mtr高圧容器の海洋のAirbagsshipの進水のエアバッグ ボートの持ち上がるブランデーグラスの船の上陸のゴム製 エアバッグの導入 エアバッグを、船の着陸の気球つなぐ船の上陸のゴム製 エアバッグ、別名海洋のエアバッグはおよびメリー エアバッグ、今特にslipwayがないある造船所で進水する船のための便利な方法になってしまった。現在、それは進水し、重い目的の扱い、そして水海難救助船で広く利用されている。 プロダクト細部 私達の海洋のゴム製 エアバッグのある正常なサイズは、カスタマイズされたサイズまた利用できる 直径(m) 有効な長さ(m) 層 圧力(MPa) 1.0 10 5~6 0...
エアバッグを、船の着陸の気球つなぐ船の上陸のゴム製 エアバッグ、別名海洋のエアバッグはおよびメリー エアバッグ、今特にslipwayがないある造船所で進水する船のための便利な方法になってしまった。現在、それは進水し、重い目的の扱い、そして水海難救助船で広く利用されている。

プロダクト細部

私達の海洋のゴム製 エアバッグのある正常なサイズは、カスタマイズされたサイズまた利用できる
| 直径(m) | 有効な長さ(m) | 層 | 圧力(MPa) |
| 1.0 | 10 | 5~6 | 0.07~0.10 |
| 1.0 | 12 | 5~6 | 0.07~0.10 |
| 1.0 | 15 | 5~6 | 0.07~0.10 |
| 1.2 | 10 | 5~6 | 0.08~0.12 |
| 1.2 | 12 | 5~6 | 0.08~0.12 |
| 1.2 | 15 | 5~6 | 0.08~0.12 |
| 1.5 | 12 | 5~8 | 0.08~0.16 |
| 1.5 | 15 | 5~8 | 0.08~0.16 |
| 1.5 | 18 | 5~8 | 0.08~0.16 |
| 1.5 | 20 | 4~8 | 0.08~0.16 |
| 1.5 | 24 | 5~8 | 0.08~0.16 |
| 1.8 | 12 | 5~8 | 0.08~0.15 |
| 1.8 | 15 | 5~8 | 0.08~0.15 |
| 1.8 | 18 | 5~8 | 0.08~0.15 |
| 1.8 | 20 | 5~8 | 0.08~0.15 |
| 1.8 | 24 | 5~8 | 0.08~0.15 |
| 2.0 | 18 | 6~10 | 0.08~0.18 |
| 2.0 | 20 | 6~10 | 0.08~0.18 |
| 2.0 | 24 | 6~10 | 0.08~0.18 |
| 2.5 | 18 | 7~10 | 0.07~0.13 |
| 2.5 | 20 | 7~10 | 0.07~0.13 |
| 2.5 | 24 | 7~10 | 0.07~0.13 |
1) 外のゴム製層
摩耗および他の外力から層の下で保護するために海洋のエアバッグの外側をカバーする外のゴム製層。この混合物に十分な抗張および引裂強さが条件および堅い使用法に抗するある。
2) 内部のゴム製層
内部のゴム製層のシールは海洋のエアバッグの中の空気を加圧した。
3) 補強として総合的タイヤ コードの層
総合的タイヤ コードからタイヤで一般的な成っている補強のコードの層は理想的な角度で内部圧力を保持し、圧力を均等に配るために整理される。従ってそれらは強く有効な補強を提供してもいい。
Hengerのエアバッグは独特で必要なより合わせる技術と製造される。エアバッグの壁厚さは重複の接合箇所の二次継ぎ目と均一である。斜面および不均等な船道で転がるとき、適用範囲が広いエアバッグは構造の圧力および船の進水の危険を減らして有用である。
重いゆがみ現象により重大事故を引き起こしたエアバッグの層間の薄片分離により、そして。
船の進水プロセスのそのような危ないゆがみ現象はHengerの海洋のエアバッグに決して起こらなかった

船の乾燥したドッキングのためのゴム製 エアバッグの特徴
1. 大きい収容量
2. 圧縮およびねじれることに対する高容量
3. 端に反破烈のcontructionの新しい設計
4. 最大限に活用された構造レイアウト
5. 耐久の老化する抵抗およびanti-wear特徴
6. より高いflesibilityおよび弱まる容量。
私達の海洋のエアバッグの技術
全面的な巻上げ、anti-explosion ahigh圧力
私達の会社は新しく全面的な巻く技術を発明した。新技術は耐久およびより安全であるために私達の海洋のエアバッグを作る私達の海洋のエアバッグの良質を保障する。